21IH6K1V250 21IH7K1V350 21IH8K1V400不锈钢两通电磁阀

21IH6K1V250 21IH7K1V350 21IH8K1V400两通不锈钢电磁阀,为直动膜片式不需要最小工作压力。断电状态下阀门关闭,通电后在磁力作用下打开。多种电压可选AC220V AC110V  AC24V DC110V DC24V等。密封膜片为FKM(氟橡胶)耐温范围-10—140℃ 适用介质:弱酸弱碱介质、空气、水、低压蒸汽、油气混合物、等。阀体材质:不锈钢316线圈

¥0

21IH6K1V250 21IH7K1V350 21IH8K1V400两通不锈钢电磁阀,为直动膜片式不需要最小工作压力。断电状态下阀门关闭,通电后在磁力作用下打开。多种电压可选AC220V AC110V  AC24V DC110V DC24V等。

密封膜片为FKM(氟橡胶)耐温范围-10—140 适用介质:弱酸弱碱介质、空气、水、低压蒸汽、油气混合物、等。

阀体材质:不锈钢316

线圈:8W-Φ13

            BDA-BDS-BSA   155(classF)

            BDF-BDV        180(classH)

           12W-Φ13       

 UDA             155(classF)

14W-Φ13

GDA-GDS        155(classF)

GDH-GDV        180(classH)

意大利ODE进口电磁阀21IH6K1V250 21IH7K1V350 21IH8K1V400图片:

 21IH6K1V250 21IH7K1V350 21IH8K1V400不锈钢电磁阀 两通常闭电磁阀

21IH6K1V250 21IH7K1V350 21IH8K1V400不锈钢两通电磁阀参数 

阀接口口径ISO 228/1 型号 最大介质粘度 通径mm 流动系数(1/mn) 线圈功率(watt) 压力
cSt °E min  max M.O.P.D.
bar  AC bar DC bar
G1" 21IH6K1V250 12 ~2 25 140 8 0 14 3
12 8
14 14
G11/4" 21IH7K1V350 35 300 14
G11/2" 21IH8K1V400 40 340 14

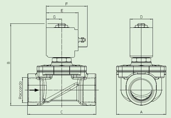
外形尺寸

21IH6K1V250 21IH7K1V350 21IH8K1V400直动式电磁阀外形图 意大利ODE进口电磁阀21IH6K1V250 21IH7K1V350 21IH8K1V400不锈钢电磁阀外形尺寸

 

产品推荐

  • 账号登录