21X6KV400不锈钢电磁阀

21X6KV400先导膜片式不锈钢电磁阀使用介质:热水、腐蚀性流体、蒸汽密封材料:氟化橡胶(FKM)工作压力 : 0.1~10bar (AC bar)                    0.1~10bar (DC bar)流体温度: -10℃ ~ 140℃阀体材质:不锈钢电源电压:直流DC12V-24V-48V-110V                    交流AC24V-1

¥0

21X6KV400先导膜片式不锈钢电磁阀

使用介质:热水、腐蚀性流体、蒸汽

密封材料:氟化橡胶(FKM)

工作压力 : 0.110bar (AC bar)

                    0.110bar (DC bar)

流体温度: -10 140

阀体材质:不锈钢

电源电压:直流DC12V-24V-48V-110V

                    交流AC24V-110V-220V

最高室内温度:80

连续工作:ED100%

线    圈:8W-Φ13

          BDA-BDS-BSA  155(classF)

          BDP           160(高温)

          BDF           180(classH) 

意大利ODE不锈钢电磁阀-21X6KV400图片:

 21X6KV400不锈钢电磁阀

意大利ODE电磁阀—21X6KV400进口电磁阀参数:

阀接口口径ISO 228/1 型号 最大介质粘度 通径mm 流动系数(1/mn) 线圈功率(watt) 压力
cSt °E min  max M.O.P.D.
bar  AC bar DC bar
G 3/8〃 21X1KV120 12 ~2 12 35,0 8 0,1 20 20
G 1/2〃 21X2KV120 35,0
G 3/4〃 21X3KV190 19 130,0 16 16
G1〃 21X4KV250 25 160,0
G1 1/4〃 21X5KV350 35 370,0 10 10
G1 1/2〃 21X6KV400 40 480,0

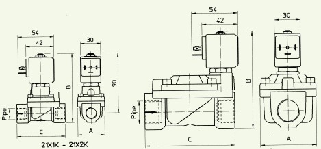
意大利ODE电磁阀—21X6KV400两通电磁阀外型尺寸:

21X6KV400两通电磁阀外型尺寸

21X6KV400两通电磁阀参数

产品推荐

  • 账号登录