21L1K1V30直动式电磁阀

21L1K1V30两位两通不锈钢电磁阀使用介质:空气、惰性气体、水密封材料:氟化橡胶(FKM)工作压力 : 0 ~10bar (AC bar/8W)                    0 ~25bar (AC bar/14W)                    0 ~6bar  (DC bar/8W)                    0 ~20bar (DC bar/

¥0

21L1K1V30两位两通不锈钢电磁阀

使用介质:空气、惰性气体、水

密封材料:氟化橡胶(FKM)

工作压力 : 0 ~10bar (AC bar/8W)

                    0 ~25bar (AC bar/14W)

                    0 ~6bar  (DC bar/8W)

                    0 20bar (DC bar/14W)

 流体温度: -10 140

阀体材质:不锈钢

电源电压:直流DC12V-24V-48V-110V

                    交流AC24V-110V-220V

最高室内温度:80

连续工作:ED100%

线    圈:8W-Φ13

          BDA-BDS-BSA  155(classF)

          BDP           160(高温)

          BDF           180(classH) 

          14W-Φ13

          GDH          180(classH) 

意大利ODE不锈钢电磁阀—21L1K1V30图片:

 21L1K1V30直动膜片式电磁阀 ODE不锈钢电磁阀

21L1K1V30进口电磁阀参数:  

阀接口口径ISO 228/1 型号 最大介质粘度 通径mm 流动系数(1/mn) 线圈功率(watt) 压力
cSt °E min  max M.O.P.D.
bar  AC bar DC bar
G1/8〃 21L1K1V25 2,5 3,2 8 0 14 9
14 30 25
21L1K1V30 3 4,0 8 10 6
14 25 20
21L1K1V40 4 5,0 8 6 1,7
14 15 8

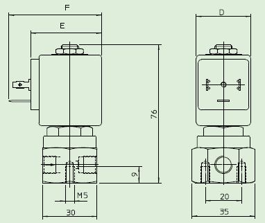
意大利ODE电磁阀-21L1K1V30铜电磁阀外型尺寸:

 

21L1K1V30铜电磁阀外型尺寸 21L1K1V30铜电磁阀参数

 PDF资料下载

产品推荐

  • 账号登录