21L2K1V25两位两通电磁阀

21L2K1V25两位两通不锈钢电磁阀使用介质:软化水、糖浆、可与不锈钢兼容的化工产品密封材料:氟化橡胶工作压力 : 0 ~14bar (AC bar/8W)          0~30bar  (AC bar/14W)          0 ~9bar  (DC bar/8W) 0 ~25bar (DC bar/14W)流体温度: -40℃ ~ 140℃阀体材质:不锈钢电源电压:

¥0

21L2K1V25两位两通不锈钢电磁阀

使用介质:软化水、糖浆、可与不锈钢兼容的化工产品

密封材料:氟化橡胶

工作压力 : 0 14bar (AC bar/8W)

          030bar  (AC bar/14W)

          0 9bar  (DC bar/8W)

 0 25bar (DC bar/14W)

流体温度: -40 140

阀体材质:不锈钢

电源电压:直流DC12V-24V-48V-110V

          交流AC24V-110V-220V

最高室内温度:80

连续工作:ED100%

线    圈:8W-Φ13

          BDA-BDS-BSA  155(classF)

          BDP          160(高温)

          BDF          180(classH)

          14W-Φ13

          GDH          180(classH)

意大利ODE不锈钢电磁阀-21L2K1V25直动式电磁阀图片:

 21L2K1V25直动式电磁阀 ODE不锈钢电磁阀

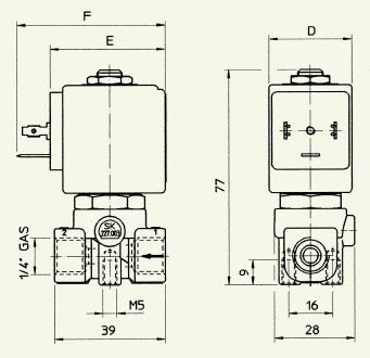
意大利ODE电磁阀-21L2K1V25不锈钢电磁阀外型尺寸:

21L2K1V25不锈钢电磁阀外型尺寸 

21L2K1V25不锈钢电磁阀参数

 PDF资料下载

产品推荐

  • 账号登录