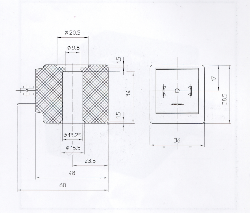
意大利ODE UDV12112DW线圈36mm×13mm
意大利ODE线圈UDV12112DWUDV成型材料:PET-黑色的聚笨硫醚-级别H(180℃)绕阻:H级电气联接:连接器标准EN175301-803第5.3.1 防护等级IP 65,EN 60529(DIN40050) 线圈及封装由100%的原材料制成 线圈36mm13mm功率:23VA电源:110/120~50/60ED:100%认证:CE-
意大利ODE线圈UDV12112DW
UDV成型材料:PET-黑色的聚笨硫醚-级别H(180℃)
绕阻:H级 电气联接:连接器标准EN175301-803第5.3.1 防护等级IP 65,EN 60529(DIN40050) 线圈及封装由100%的原材料制成 线圈36mm×13mm 功率:23VA 电源:110/120~50/60 ED:100% 认证:CE-UL-CSA 电压波动范围:DC+10%-5% AC+10%-15% 其他电压和功率可按需求数量提供
 
                             
                             
                            