21A1KV15直动式电磁阀
21A1KV15两位两通电磁阀使用介质:空气、惰性气体、水、轻质油、汽油、柴油、燃料油密封材料:氟化橡胶(FKM)工作压力 : 0 ~30bar(AC bar)0 ~18bar (DC bar)流体温度: -10℃ ~ 140℃阀体材质:黄铜电源电压:直流DC12V-24V-48V-110V交流AC24V-110V-220V最高室内温度:80℃连续工作:ED100%线圈:8W-Φ1
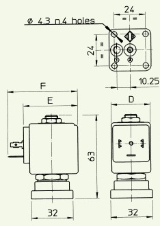
21A1KV15两位两通电磁阀
使用介质:空气、惰性气体、水、轻质油、汽油、柴油、燃料油 密封材料:氟化橡胶(FKM) 工作压力 : 0 ~30bar(AC bar) 0 ~18bar (DC bar) 流体温度: -10℃ ~ 140℃ 阀体材质:黄铜 电源电压:直流DC12V-24V-48V-110V 交流AC24V-110V-220V 最高室内温度:80℃ 连续工作:ED100% 线圈:8W-Φ13 BDA-BDS-BSA 155℃(classF) BDP 160℃(高温) BDF 180℃(classH) 意大利ODE直动式电磁阀-21A1KV15图片: 21A1KV15座安装电磁阀参数: ode电磁阀-21A1KV15外型尺寸:

 
                             
                             
                            