21PW3K0T120 21PW4K0T120两位两通先导活塞式电磁阀

21PW3K0T120 21PW4K0T120 两位两通常闭电磁阀。为活塞式先导控制电磁阀,最小工作压力0.3bar,该电磁阀不适用于滞止性的介质,或由于蒸汽可能沉淀固体、积钙及类似残渣的介质。密封膜片为PTFE(聚四氟乙烯)耐温范围-40—180℃ 适用介质:空气、水、低压蒸汽、高温蒸汽、惰性气体等。阀体材质:黄铜线    圈:8W-Φ13                BDA-

¥0

21PW3K0T120 21PW4K0T120 两位两通常闭电磁阀。为活塞式先导控制电磁阀,最小工作压力0.3bar,该电磁阀不适用于滞止性的介质,或由于蒸汽可能沉淀固体、积钙及类似残渣的介质。

密封膜片为PTFE(聚四氟乙烯)耐温范围-40—180 适用介质:空气、水、低压蒸汽、高温蒸汽、惰性气体等。

阀体材质:黄铜

线    圈:8W-Φ13

                BDA-BDS-BSA      155(classF)

                BDF-BDV               180(classH) 

               12W-Φ13

               UDA                         155(classF)

               14W-Φ13

               GDH-GDV               180(classH)

8W线圈可按需提供EN 175301-803电气接口的防爆线圈外壳。

意大利ODE进口电磁阀-21PW3K0T120 21PW4K0T120两位两通电磁阀图片:

 21PW3K0T120 21PW4K0T120先导活塞式电磁阀

21PW3K0T120 21PW4K0T120两位两通柱塞式电磁阀参数: 

连接口  ISO228/1 型号 最大介质粘度 通径mm 流动系数(1/mn) 线圈功率(watt) 压力
cSt °E min  max M.O.P.D.
bar  AC bar DC bar
G 3/8 21PW3K0T120 12 ~2 12 32 8 0.5 18
12 20
14 15
G 1/2 21PW4K0T120 38 8 18
12 20
14 15

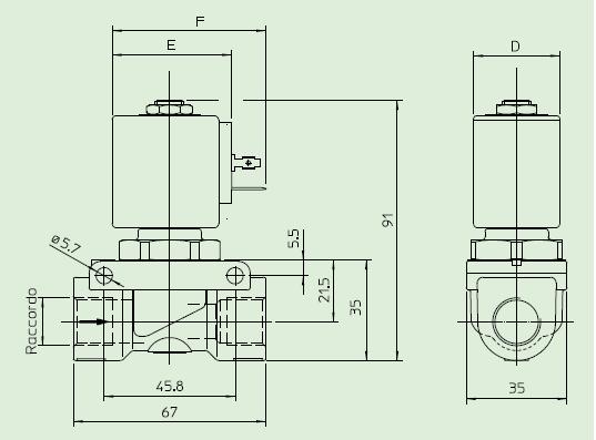
外型尺寸:

21PW3K0T120 21PW4K0T120柱塞式电磁阀外形图21PW3K0T120 21PW4K0T120两通常闭电磁阀外形尺寸

  PDF资料下载

产品推荐

  • 账号登录