NO 21A2KV15直动式电磁阀_ODE两位两通电磁阀_意大利ODE电磁阀

21A2KV15直动式电磁阀

21A2KV15直动膜片式电磁阀使用介质:矿物油、汽油、燃料油密封材料:氟化橡胶(FKM)工作压力 : 0~22bar (AC bar/8W)                   0~35bar (AC bar/14W)                   0~16bar (DC bar/8W)   0~30bar (DC bar/14W)流体温度: -10℃ ~ 140℃阀体材质

¥0

21A2KV15直动膜片式电磁阀

使用介质:矿物油、汽油、燃料油

密封材料:氟化橡胶(FKM)

工作压力 : 022bar (AC bar/8W)

                   035bar (AC bar/14W)

                   016bar (DC bar/8W)

   030bar (DC bar/14W)

流体温度: -10 140

阀体材质:黄铜

电源电压:直流DC12V-24V-48V-110V

                   交流AC24V-110V-220V

最高室内温度:80

连续工作:ED100%

线    圈:8W-Φ13

          BDA-BDS-BSA  155(classF)

          BDP           160(高温)

          BDF           180(classH) 

          14W-Φ13

          GDH           180(classH) 

意大利ODE直动膜片式电磁阀—21A2KV15图片:

 

21A2KV15零压启动电磁阀参数:
阀接口口径ISO 228/1 型号 最大介质粘度 通径mm 流动系数(1/mn) 线圈功率(watt) 压力
cSt °E min  max M.O.P.D.
bar  AC bar DC bar
G1/8〃 21A3KV15 12 ~2 1,5 1,4 8 0 30 18
21A3KV20 37 ~5 2 2,0 8 22 16
14 35 30
21A3KV25 53 ~7 2,5 3,2 8 14 9
14 30 25
21A3KV30 3 4,0 8 10 6
14 25 20
21A3KV45 4,5 6,5 8 5 1,5
14 12 6
G1/8〃 21A2KV15 12 ~2 1,5 1,4 8 30 18
21A2KV20 37 ~5 2 2,0 8 22 16
14 35 30
21A2KV25 53 ~7 2,5 3,2 8 14 9
14 30 25
21A2KV30 3 4,0 8 10 6
14 25 20
21A2KV45 4,5 6,5 8 5 1,5
14 12 6
21A2KV55 5,5 9,0 8 3,5 1
14 7 3

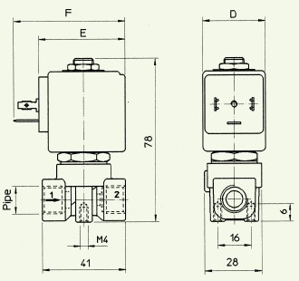
ODE电磁阀-21A2KV15两位两通电磁阀外型尺寸:

21A2KV15两位两通电磁阀外型尺寸

 PDF资料下载

产品推荐

  • 账号登录