212A3KV20直动式电磁阀

212A3KV20零压启动电磁阀使用介质:空气、惰性气体、水密封材料:FKM氟化橡胶工作压力 : 0~22bar (AC bar/8W)                    0~35bar (AC bar/14W)          0~16bar (DC bar/8W)                        0~30bar (DC bar/14W) 流体温度: -10℃

¥0

212A3KV20零压启动电磁阀

使用介质:空气、惰性气体、水

密封材料:FKM氟化橡胶

工作压力 : 0~22bar (AC bar/8W)

                    0~35bar (AC bar/14W)

          0~16bar (DC bar/8W)

                        0~30bar (DC bar/14W)

流体温度: -10 140

阀体材质:黄铜

电源电压:直流DC12V-24V-48V-110V

                    交流AC24V-110V-220V

最高室内温度:80

连续工作:ED100%

线    圈:8W-Φ13

          BDA-BDS-BSA  155(classF)

          BDP           160(高温)

          BDF           180(classH)

          14W-Φ13

          GDH           180(classH)

意大利ODE直动式电磁阀-212A3KV20图片:

 212A3KV20直动式电磁阀

212A3KV20进口电磁阀参数:

阀接口口径ISO 228/1 型号 最大介质粘度 通径mm 流动系数(1/mn) 线圈功率(watt) 压力
cSt °E min  max M.O.P.D.
bar  AC bar DC bar
G1/8〃 212A3KV15 12 ~2 1,5 1,4 8 0 30 18
212A3KV20 37 ~5 2 2,0 8 22 16
14 35 30
212A3KV25 53 ~7 2,5 3,2 8 14 9
14 30 25
212A3KV30 3 4,0 8 10 6
14 25 20
212A3KV45 4,5 6,5 8 5 1,5
14 12 6
G1/4〃 212A2KV15 12 ~2 1,5 1,4 8 30 18
212A2KV20 37 ~5 2 2,0 8 22 16
14 35 30
212A2KV25 53 ~7 2,5 3,2 8 14 9
14 30 25
212A2KV30 3 4,0 8 10 6
14 25 20
212A2KV45 4,5 6,5 8 5 1,5
14 12 6
212A2KV55 5,5 9,0 8 3,5 1
14 7 3

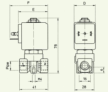
意大利ODE电磁阀-212A3KV20两位两通电磁阀外型尺寸:

212A3KV20两位两通电磁阀外型尺寸212A3KV20电磁阀参数

 

 

 

           

产品推荐

  • 账号登录