NO 212A8KV55直动式电磁阀_ODE两位两通电磁阀_意大利ODE电磁阀

212A8KV55直动式电磁阀

212A8KV55直动式电磁阀使用介质:空气、惰性气体、水密封材料:FKM氟化橡胶工作压力 : 0 ~3bar (AC bar/8W)                   0 ~1bar (DC bar/8W) 0 ~6bar (AC bar/14W) 0 ~4bar  (DC bar/14W)流体温度: -10℃ ~ 140℃阀体材质:黄铜电源电压:直流DC12V-24V-48V

¥0

212A8KV55直动式电磁阀

使用介质:空气、惰性气体、水

密封材料:FKM氟化橡胶

工作压力 : 0 3bar (AC bar/8W)

                   0 1bar (DC bar/8W)

 0 6bar (AC bar/14W)

 0 4bar  (DC bar/14W)

流体温度: -10 140

阀体材质:黄铜

电源电压:直流DC12V-24V-48V-110V

          交流AC24V-110V-220V

最高室内温度:80

连续工作:ED100%

线    圈:8W-Φ13

          BDA-BDS-BSA  155(classF)

          BDP           160(高温)

          BDF           180(classH)

          14W-Φ13

          GDH           180(classH)

意大利ODE直动式电磁阀-212A8KV55图片:

 212A8KV55直动式电磁阀

212A8KV55进口电磁阀参数:
阀接口口径ISO 228/1 型号 最大介质粘度 通径mm 流动系数(1/mn) 线圈功率(watt) 压力
cSt °E min  max M.O.P.D.
bar  AC bar DC bar
G3/8〃 212A5KV45 53 ~7 4,5 6,5 8 0 5 2
14 12 8
212A5KV55 5,5 9,0 8 3 1
14 6 4
G1/2〃 212A8KV45 4,5 6,5 8 5 2
14 12 8
212A8KV55 5,5 9,0 8 3 1
14 6 4

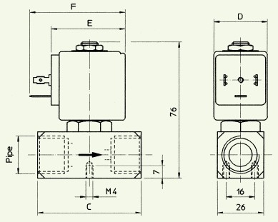
意大利ODE电磁阀-212A8KV55两通电磁阀外型尺寸:

212A8KV55两通电磁阀外型尺寸

212A8KV55两通电磁阀参数

 

产品推荐

  • 账号登录