21T1BV28-F直动式电磁阀

21T1BV28-F直拉膜片式电磁阀使用介质:汽油、燃料油、石油精密封材料:FKM氟化橡胶工作压力 : 0 ~12bar(AC bar)                    0 ~6bar(DC bar)流体温度: -10℃ ~ 140℃阀体材质:黄铜电源电压:直流DC12V-24V-48V-110V                   交流AC24V-110V-220V最高室内

¥0

21T1BV28-F直拉膜片式电磁阀
使用介质:汽油、燃料油、石油精
密封材料:FKM氟化橡胶
工作压力 : 0 ~12bar(AC bar)
                    0
~6bar(DC bar)
流体温度: -10 140
阀体材质:黄铜

电源电压:直流DC12V-24V-48V-110V
                  
交流
AC24V-110V-220V
最高室内温度:80

连续工作:ED100%
线    圈:8W-Φ
13
          BDA-BDS-BSA 
155
(classF)
          BDP         
160(
高温)
          BDF         
180
(classH)  
意大利ODE直拉膜片式电磁阀-21T1BV28-F图片:

21T1BV28-F直拉膜片式电磁阀

意大利ODE电磁阀-21T1BV28-F规格参数:

阀接口口径ISO 228/1 型号 最大介质粘度 通径mm 流动系数(1/mn) 线圈功率(watt) 压力
cSt °E min  max M.O.P.D.
bar  AC bar DC bar
G 1/8〃 21T1BV17-F 37 ~5 1,7 1,5 8 0 30 15
21T1BV22-F 2,2 2,1 20 10
21T1BV28-F 53 ~7 2,8 3,5 12 6
21T1BV40-F 4 5,0 6 2
G 1/4〃 21T2BV17-F 37 ~5 1,7 1,5 30 15
21T2BV22-F 2,2 2,1 20 10
21T2BV28-F 53 ~7 2,8 3,5 12 6
21T2BV40-F 4 5,0 6 2

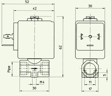
意大利ODE电磁阀—21T1BV28-F直动式电磁阀外形尺寸:21T1BV28-F直动式电磁阀外形尺寸21T1BV28-F直动式电磁阀参数

 PDF资料下载

产品推荐

  • 账号登录