21H7KE120先导膜片式电磁阀

21H7KE120先导膜片式电磁阀使用介质:空气、惰性气体、水密封材料:EPDM乙丙橡胶工作压力 : 0.1 ~20bar (AC bar)                   0.1 ~10bar (DC bar)流体温度: -10℃ ~ 140℃阀体材质:黄铜电源电压:直流DC12V-24V-48V-110V                    交流AC24V-110V-22

¥0

21H7KE120先导膜片式电磁阀

使用介质:空气、惰性气体、水

密封材料:EPDM乙丙橡胶

工作压力 : 0.1 20bar (AC bar)

                   0.1 10bar (DC bar)

流体温度: -10 140

阀体材质:黄铜

电源电压:直流DC12V-24V-48V-110V

                    交流AC24V-110V-220V

最高室内温度:80

连续工作:ED100%

线    圈:8W-Φ13

          BDA-BDS-BSA  155(classF)

          BDP           160(高温)

          BDF           180(classH) 

意大利ODE先导膜片式电磁阀-21H7KE120图片:

 21H7KE120先导膜片式电磁阀

21H7KE120进口电磁阀参数:

阀接口口径ISO 228/1 型号 最大介质粘度 通径mm 流动系数(1/mn) 线圈功率(watt) 压力
cSt °E min  max M.O.P.D.
bar  AC bar DC bar
G3/8" 21H7KB120 12 35 8 0,1 20 10
G3/8" 21H7KE120
G3/8" 21H7KV120 12 ~2

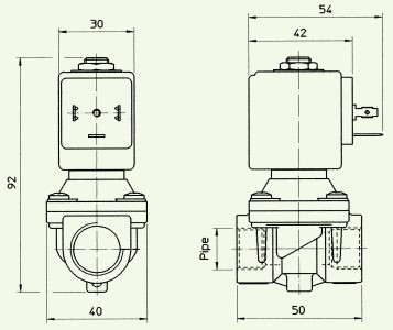
 意大利ODE电磁阀-21H7KE120两位两通电磁阀外型尺寸:

21H7KE120两位两通电磁阀外型尺寸

21H7KE120两位两通电磁阀参数

产品推荐

  • 账号登录