212A2KV55常闭电磁阀

意大利ODE两位两通电磁阀—212A2KV55零压启动电磁阀使用介质:空气、惰性气体、水密封材料:FKM氟化橡胶工作压力 : 0.1 ~30bar (AC bar)                    0.1 ~18bar (DC bar)流体温度: -10℃ ~ 140℃阀体材质:黄铜电源电压:直流DC12V-24V-48V-110V                    交流

¥0

意大利ODE两位两通电磁阀—212A2KV55零压启动电磁阀

使用介质:空气、惰性气体、水

密封材料:FKM氟化橡胶

工作压力 : 0.1 30bar (AC bar)

                    0.1 18bar (DC bar)

流体温度: -10 140

阀体材质:黄铜

电源电压:直流DC12V-24V-48V-110V

                    交流AC24V-110V-220V

最高室内温度:80

连续工作:ED100%

线    圈:8W-Φ13

          BDA-BDS-BSA  155(classF)

          BDP           160(高温)

          BDF           180(classH)

          14W-Φ13

          GDH           180(classH)

 

意大利ODE电磁阀—12A2KV55直动式电磁阀图片:

 212A2KV55常闭电磁阀 意大利ODE零压启动电磁阀

212A2KV55进口电磁阀参数:

阀接口口径ISO 228/1 型号 最大介质粘度 通径mm 流动系数(1/mn) 线圈功率(watt) 压力
cSt °E min  max M.O.P.D.
bar  AC bar DC bar
G1/8〃 212A3KV15 12 ~2 1,5 1,4 8 0 30 18
212A3KV20 37 ~5 2 2,0 8 22 16
14 35 30
212A3KV25 53 ~7 2,5 3,2 8 14 9
14 30 25
212A3KV30 3 4,0 8 10 6
14 25 20
212A3KV45 4,5 6,5 8 5 1,5
14 12 6
G1/4〃 212A2KV15 12 ~2 1,5 1,4 8 30 18
212A2KV20 37 ~5 2 2,0 8 22 16
14 35 30
212A2KV25 53 ~7 2,5 3,2 8 14 9
14 30 25
212A2KV30 3 4,0 8 10 6
14 25 20
212A2KV45 4,5 6,5 8 5 1,5
14 12 6
212A2KV55 5,5 9,0 8 3,5 1
14 7 3

 

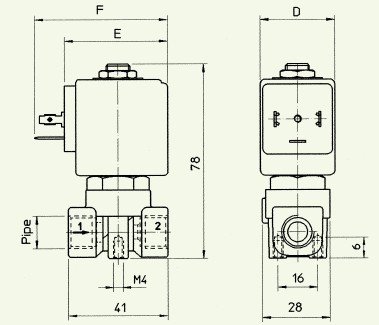
意大利ODE电磁阀—212A2KV55两位两通电磁阀外型尺寸:

 212A2KV55两位两通电磁阀外型尺寸212A2KV55两通电磁阀参数

 

 

产品推荐

  • 账号登录