意大利ODE电磁阀21H8KB120 DN15 先导电磁阀

意大利ODE两位两通电磁阀—21H8KB120先导膜片式电磁阀使用介质:空气、惰性气体、水密封材料:NBR丁晴橡胶工作压力 : 0.1 ~20bar (AC bar)                    0.1 ~10bar (DC bar)流体温度: -10℃ ~ 90℃阀体材质:黄铜电源电压:直流DC12V-24V-48V-110V                    交流

¥0

意大利ODE两位两通电磁阀—21H8KB120先导膜片式电磁阀

使用介质:空气、惰性气体、水

密封材料:NBR丁晴橡胶

工作压力 : 0.1 20bar (AC bar)

                    0.1 10bar (DC bar)

流体温度: -10  90

阀体材质:黄铜

电源电压:直流DC12V-24V-48V-110V

                    交流AC24V-110V-220V

最高室内温度:80

连续工作:ED100%

线    圈:8W-Φ13

          BDA-BDS-BSA  (classF)

          BDP           (高温)

          BDF           (classH) 

意大利ODE电磁阀-21H8KB120先导膜片式电磁阀图片:

3.jpg

21H8KB120进口电磁阀参数:

阀接口口径ISO 228/1型号最大介质粘度通径mm流动系数(1/mn)线圈功率(watt)压力
cSt°Emin max M.O.P.D.
bar AC barDC bar
G1/2"21H8KB120124580,12010
G1/2"21H8KE120
G1/2"21H8KV12012~2

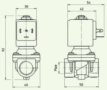
ODE电磁阀—21H8KB120两位两通电磁阀外型尺寸:

21H8KB120电磁阀 意大利ODE电磁阀结构图

 

产品推荐

  • 账号登录