21T2BV22-F铜电磁阀

21T2BV22-F直拉膜片式电磁阀使用介质:汽油、燃料油、石油精密封材料:FKM氟化橡胶工作压力 : 0 ~20bar(AC bar)                    0 ~10bar(DC bar)流体温度: -10℃ ~ 140℃阀体材质:黄铜电源电压:直流DC12V-24V-48V-110V                    交流AC24V-110V-220V最高

¥0

21T2BV22-F直拉膜片式电磁阀
使用介质:汽油、燃料油、石油精
密封材料:FKM氟化橡胶
工作压力 : 0 20bar(AC bar)
                    0 10bar(DC bar)
流体温度:
阀体材质:黄铜

电源电压:直流DC12V-24V-48V-110V
                    
交流
AC24V-110V-220V
最高室内温度:

连续工作:ED100%
线    圈:8W-Φ
13
                BDA-BDS-BSA 
(classF)
                BDP         
(
高温)
                BDF         
(classH)  
意大利ODE电磁阀-21T2BV22-F直拉膜片式电磁阀图片:

 ode上图模板.jpg

ODE电磁阀-21T2BV22-F规格参数:

阀接口口径ISO 228/1型号最大介质粘度通径mm流动系数(1/mn)线圈功率(watt)压力
cSt°Emin max M.O.P.D.
bar AC barDC bar
G 1/8〃21T1BV17-F37~51,71,5803015
21T1BV22-F2,22,12010
21T1BV28-F53~72,83,5126
21T1BV40-F45,062
G 1/4〃21T2BV17-F37~51,71,53015
21T2BV22-F2,22,12010
21T2BV28-F53~72,83,5126
21T2BV40-F45,062

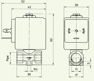
意大利ODE电磁阀—21T2BV22-F两通电磁阀外形尺寸:

21T2BV22-F铜电磁阀 意大利ODE电磁阀外形图21T2BV22-F电磁阀技术参数

 PDF资料下载

产品推荐

  • 账号登录