NO 意大利ODE电磁阀21A5KT45两通常闭铜电磁阀3分螺纹_ODE两位两通电磁阀_意大利ODE电磁阀

意大利ODE电磁阀21A5KT45两通常闭铜电磁阀3分螺纹

21A5KT45直动膜片式电磁阀使用介质:蒸汽、水密封材料:PTFE(聚四氟乙烯)工作压力 : 0~5bar    (AC bar/8W)                   0~12bar  (AC bar/14W)                   0~1.5bar (DC bar/8W)   0~6bar    (DC bar/14W)流体温度: -40℃ ~ 180℃阀体

¥0

ODE电磁阀两通21A5KT45直动膜片式电磁阀

使用介质:蒸汽、水

密封材料:PTFE(聚四氟乙烯)

工作压力 : 05bar    (AC bar/8W)

                   012bar  (AC bar/14W)

                   01.5bar (DC bar/8W)

   06bar    (DC bar/14W)

流体温度: -40  180

阀体材质:黄铜

电源电压:直流DC12V-24V-48V-110V

                    交流AC24V-110V-220V

最高室内温度:80

连续工作:ED100%

线    圈:8W-Φ13

                BDA-BDS-BSA  155(classF)

                BDP           160(高温)

                BDF           180(classH) 

               14W-Φ13

                GDH           180(classH) 

意大利ODE电磁阀21A5KT45直动膜片式电磁阀参数:


阀接口口径ISO 228/1型号最大介质粘度通径mm流动系数(1/mn)线圈功率(watt)压力
cSt°Emin max M.O.P.D.
bar AC barDC bar
G3/8〃21A5KT454,56,58051,5
14126
21A5KT555,5983,51
1473
G1/2〃21A8KT454,56,5851,5
14126
21A8KT555,5983,51
1475
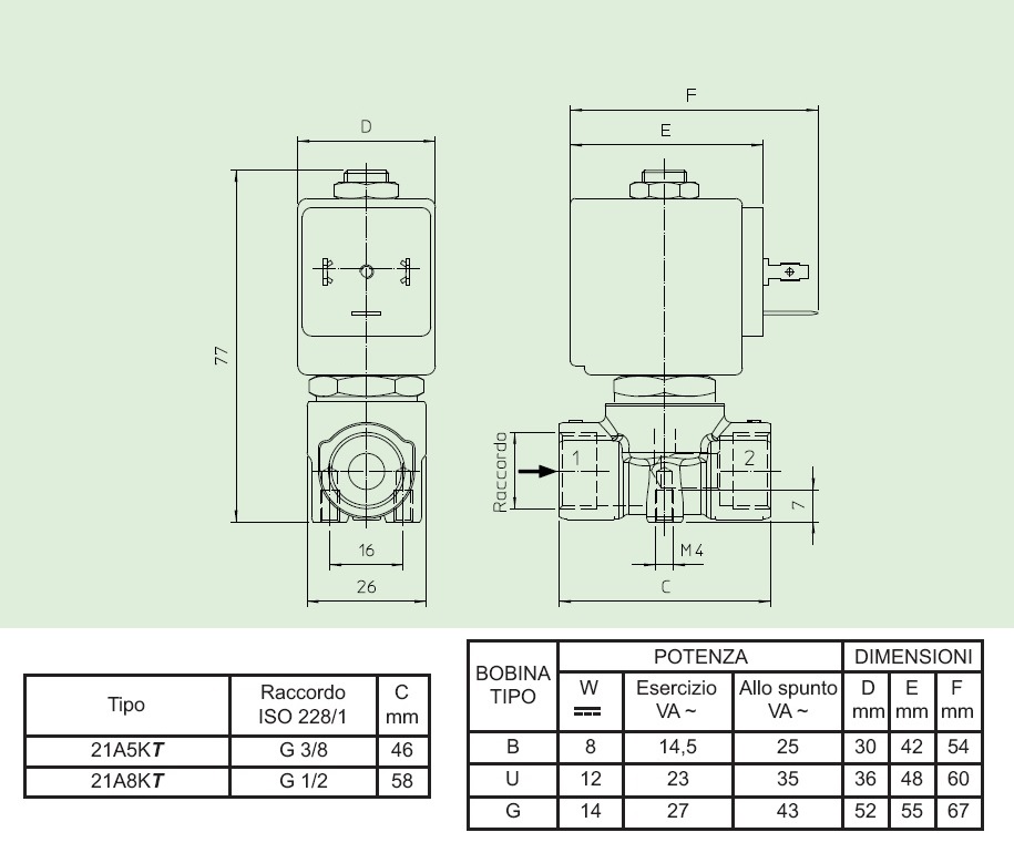
ODE电磁阀21A5KT45两位两通电磁阀外型尺寸:


xq2.jpg


 

产品推荐

  • 账号登录