31JN1W0B23直动膜片式电磁阀

31JN1W0B23两位三通电磁阀使用介质:空气、水、惰性气体密封材料:NBR(丁晴橡胶)工作压力 : 0 ~5bar(AC/5W)                    0 ~5bar(DC/5W)流体温度: -10℃ ~ 90℃阀体材质:黄铜电源电压:直流DC12V-24V-48V-110V                    交流AC24V-110V-220V最高室内温度:

¥0

31JN1W0B23两位三通电磁阀

使用介质:空气、水、惰性气体

密封材料:NBR(丁晴橡胶)

工作压力 : 0 5bar(AC/5W)

                    0 5bar(DC/5W)

流体温度: -10 90

阀体材质:黄铜

电源电压:直流DC12V-24V-48V-110V

                    交流AC24V-110V-220V

最高室内温度:80

连续工作:ED100%

线    圈:5W-Φ10

                LBA            155(classF)

                LBF            180(classH) 

意大利ODE直动式电磁阀-31JN1W0B23图片:

 31JN1W0B23直动式电磁阀  31JN1W0B23三通电磁阀

31JN1W0B23电磁阀参数:

阀接口口径ISO 228/1 型号 最大介质粘度 通径mm 流动系数(1/mn) 线圈功率(watt) 压力
cSt °E min  max M.O.P.D.
bar  AC bar DC bar
G 1/8〃 31JN1W0B12 12 ~2 1,2* 1,0 5 0 15 15
31JN1W0B23 37 ~5 2,3* 2,3 5 5

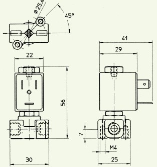
意大利ODE电磁阀-31JN1W0B23三通电磁阀外型尺寸:

31JN1W0B23三通电磁阀外型尺寸 31JN1W0B23三通电磁阀参数

 

产品推荐

  • 账号登录