31JN1W0V12电磁阀

31JN1W0V12两位三通电磁阀使用介质:空气、低压蒸汽、水、轻质油、汽油、燃油密封材料:氟化橡胶(FKM)工作压力 : 0 ~15bar(AC/5W)                   0 ~15bar(DC/5W)流体温度: -10℃ ~ 140℃阀体材质:黄铜电源电压:直流DC12V-24V-48V-110V                   交流AC24V-110V-

¥0

31JN1W0V12两位三通电磁阀

使用介质:空气、低压蒸汽、水、轻质油、汽油、燃油

密封材料:氟化橡胶(FKM)

工作压力 : 0 15bar(AC/5W)

                   0 15bar(DC/5W)

流体温度: -10 140

阀体材质:黄铜

电源电压:直流DC12V-24V-48V-110V

                   交流AC24V-110V-220V

最高室内温度:80

连续工作:ED100%

线    圈:5W-Φ10

               LBA            155(classF)

               LBF            180(classH) 

意大利ODE直动式电磁阀-31JN1W0V12图片:

 31JN1W0V12直动式电磁阀 31JN1W0V12三通电磁阀

31JN1W0V12电磁阀参数:

阀接口口径ISO 228/1 型号 最大介质粘度 通径mm 流动系数(1/mn) 线圈功率(watt) 压力
cSt °E min  max M.O.P.D.
bar  AC bar DC bar
G 1/8〃 31JN1W0V12 12 ~2 1,2* 1,0 5 0 15 15
31JN1W0V23 37 ~5 2,3* 2,3 5 5

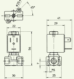
意大利ODE电磁阀-31JN1W0V12直动式电磁阀外型尺寸:

31JN1W0V12直动式电磁阀外型尺寸 31JN1W0V12直动式电磁阀参数

产品推荐

  • 账号登录