31A3AB15三通电磁阀

31A3AB15两位三通电磁阀使用介质:空气、惰性气体、水工作压力:0 ~15bar (AC bar)                    0 ~15bar (DC bar)流体温度: -10℃ ~ 90℃阀体材质:黄铜密封材料:丁腈橡胶(NBR)弹簧:不锈钢磁芯材料:不锈钢电源电压:直流DC12V-24V-48V-110V                    交流AC24V-

¥0

31A3AB15两位三通电磁阀

使用介质:空气、惰性气体、水

工作压力:0 15bar (AC bar)

                    0 15bar (DC bar)

流体温度: -10 90

阀体材质:黄铜

密封材料:丁腈橡胶(NBR)

弹簧:不锈钢

磁芯材料:不锈钢

电源电压:直流DC12V-24V-48V-110V

                    交流AC24V-110V-220V 50/60Hz

最高室内温度:80

连续工作:ED100%

线    圈:8W-Φ13

          BDA-BDS-BSA  155(classF)

          BDP           160(高温)

          BDF           180(classH) 

意大利ODE电磁阀-31A3AB15两位三通电磁阀图片:

 31A3AB15两位三通电磁阀

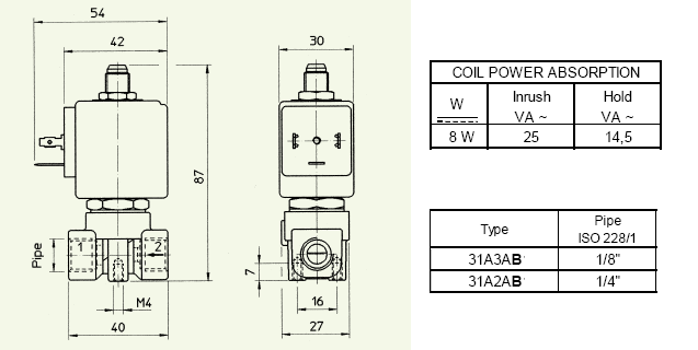
意大利ODE进口电磁阀-31A3AB15外型尺寸:

 31A3AB15两位三通电磁阀尺寸图

PDF资料下载

产品推荐

  • 账号登录