31A2FV15-U 两位三通直动式电磁阀-通用型
两位三通直动式电磁阀-通用型产品介绍直动式电磁阀,用于控制与阀体材质兼容的介质。不需最小工作压力。所用材质及所做的测试确保其具有较高的可靠性和较长的使用寿命。产
两位三通直动式电磁阀-通用型
产品介绍
直动式电磁阀,用于控制与阀体材质兼容的介质。不需最小工作压力。
所用材质及所做的测试确保其具有较高的可靠性和较长的使用寿命。
产品用途:自动控制,加热
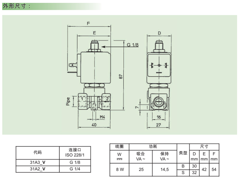
连接口:G1/8-G1/4
线圈:8W-φ13
BDA-BDS-BSA 155°C(F级)
BDP-160°C(高温)
BDF-180°C(H级)
SDH-180°C (H级)
最高允许压力(PS):40 bar
环境温度:
F级或高温线圈:-10°C + 60°C
H级线圈:-10°C+80°C


